


Разгрузочные комплексы |
Привет, Гость! Войдите или зарегистрируйтесь.
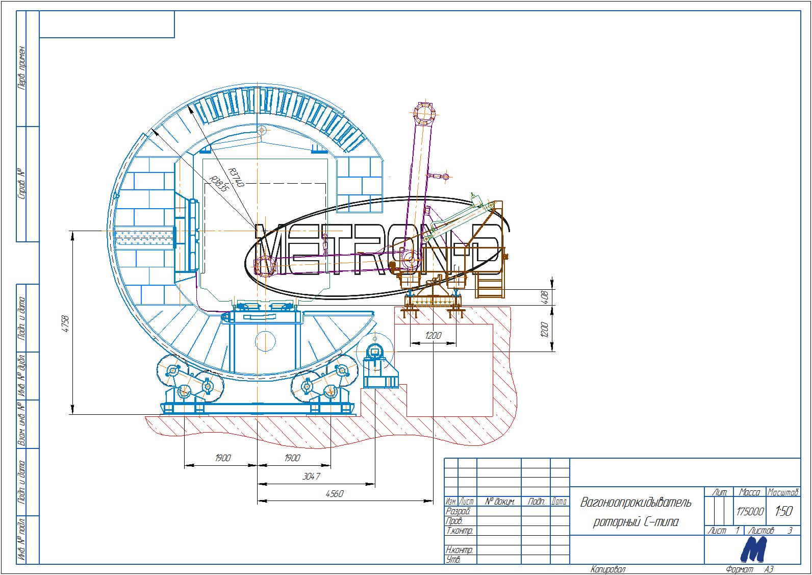
Вы здесь » Разгрузочные комплексы » Вагоноопрокидыватели стационарные » Вагоноопрокидыватель С-типа
Вы здесь » Разгрузочные комплексы » Вагоноопрокидыватели стационарные » Вагоноопрокидыватель С-типа